說明
產品功能規格
檯面式升降排油煙機,不使用時可完全降下與廚房檯面水平一致
能與所有 Vario 400 系列爐具完美結合
溫暖白色的LED 燈,可照亮整面爐具
3mm 不銹鋼的精細工藝
適合上裝安裝或平接安裝
無內附馬達,需與Gaggenau BLDC 風扇馬達結合使用
3 段風速+強力排風
假期通風模式
延遲關機功能
濾油網飽和指示燈
2個易於拆卸的大型金屬油網且適用於洗碗機
油脂滴盤,易於拆卸且可用洗碗機清洗
LED 暖白光(3600K),可調光
燈泡功率 4 x 5W
照明度 191 lx
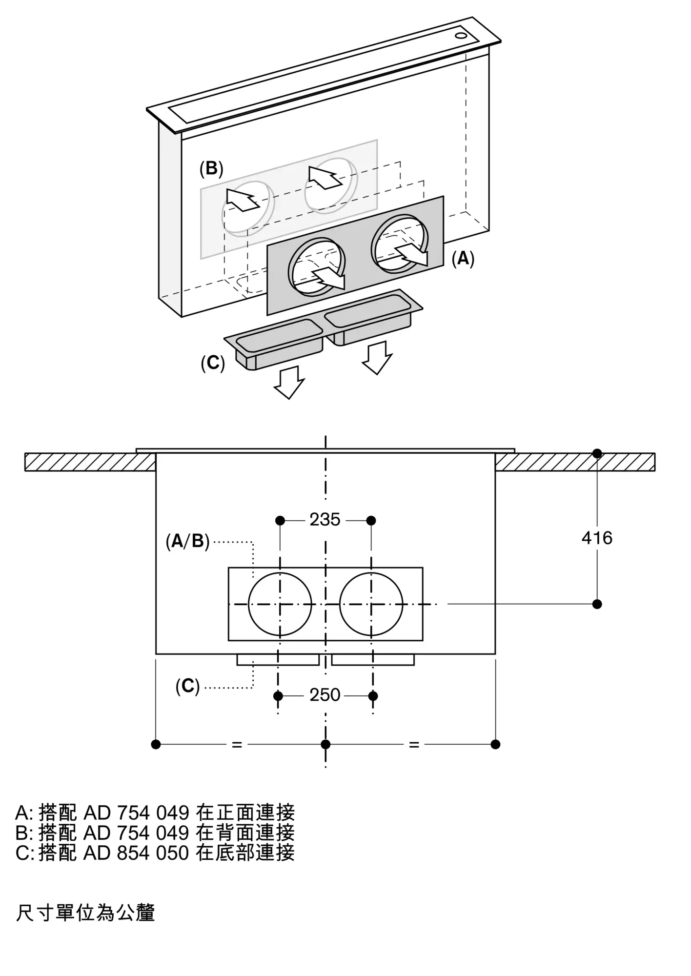
風扇馬達的靈活連接選項:底部、前面或後面。在所有選項中,都可以在升降式排油煙機前留出抽屜空間
可搭配所有 Vario 400 系列和 400 系爐具
最大爐具面寬度:120 公分
在歐洲,由於法規 EU 66/2014,僅推薦內循環模式
根據安裝類型,必須單獨訂購相應的附件
Vario電烤爐不建議搭配使用內循環模式
拼爐僅能在爐蓋掀起的情況下使用爐具
最大輸出功率不超過18 千瓦
升降式排油煙機必須有自己的檯面切口
為加強超薄檯面的載重及穩固性,需特別針對櫥櫃結構做補強規劃櫥櫃及檯面時,請將機器的重量列入考量
檯面支撐架AA 409 401/431 。建議做檯面支撐架用,而非櫥櫃框架
請考量爐具的重量和額外負載。以下為針對平接安裝的額外指示:
可安裝於石材、合成材或實木材質的檯面。檯面裁切處的邊緣必須以防熱與防水材質(如;防熱防水矽利康)填充密封其他材質,請向檯面製造商諮詢
根據安裝類型,烤箱可以與升降式排油煙機相結合
控制元件應該易於接近並固定在機櫃的面板上,以避免任何被水淹沒的風險
總功率 65 W
帶插頭電源線170cm
電源線 1.75 公尺x 2














